智能壓力變送器
※產品描述SWZ-2088智能壓力變送器由316L隔離膜壓力變送器、高性能微處理器、集成放大線路、高穩定恒流源組成,對傳感器非線性、溫度漂移進行修正補償,通過手操器在線調整變送器參數,實現準確的數字
Description
※產品描述
SWZ-2088智能壓力變送器由316L隔離膜壓力變送器、高性能微處理器、集成放大線路、高穩定恒流源組成,對傳感器非線性、溫度漂移進行修正補償,通過手操器在線調整變送器參數,實現準確的數字/數據傳輸、現場設備診斷、遠程雙向通訊等,具有精度高、穩定性好、操作方便等優點
※技術參數

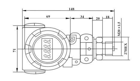
※尺寸

瀏覽:



